- 關于塑料螺絲 ,你真的了解嗎 2023-07-14
- 緊固件基礎知識FAQ(四)| 你一定要了解的8個緊固件基本常識 2023-07-03
- 法士威2023年第二季度工作總結Party圓滿落下帷幕 2023-07-01
- 法士威2023第一季度工作總結 part,圓滿收官 2023-04-02
深圳市法士威精密零件有限公司
文章出處:螺絲百科 網責任編輯: 法士威精密零件 閱讀量: 發表時間:2023-04-21
螺紋檢驗爭議和檢驗規則特點
螺紋檢驗是貿易中出現質量爭議最多的事件之一。由于螺紋檢驗方法和規則的不統一性,有時還出現螺紋量規“打架”的現象。
螺紋緊固件表面的不同涂層引起的螺紋通規爭議(電鍍、達克羅、熱鍍鋅后),會直接影響到螺紋的互換性,有時也會出現涂層后的螺紋檢驗的爭議。那么,螺紋末端及表面磕碰傷、熱處理后引起的螺紋變形,應該如何檢驗呢?
螺紋檢驗的目的
如果所用緊固件的內、外螺紋不能互換,就不能組裝零件;如果裝配后的螺紋不能承受一定負荷,或組裝后早期就毀壞,就失去螺紋緊固的作用。
影響螺紋的互換性和精度的因素主要包括:
——螺紋大徑
——中徑(單一中徑)
——小徑
——牙側角
——導程角
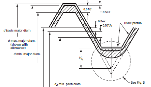
螺距等各種螺紋參數相互的作用,直接反映到螺紋的作用中徑上,即配合尺寸。

螺紋作用中徑和單一中徑區別
1.螺紋中徑
指一個假想圓柱或圓錐的直徑,該圓柱或圓錐的母線通過螺紋牙型上溝槽和凸起寬度相等的地方,此假想圓柱稱為螺紋中徑圓柱。
2.作用中徑
作用中徑是實際旋合起作用的中徑,是一個假想的螺紋中徑。
作用中徑是由于牙側角偏差對中徑當量△dα+螺距累積誤差中徑當量△dp ,作用中徑才是影響螺紋裝配和互換性的根本因。外螺紋作用中徑實際上大于單一中徑。內螺紋作用中徑實際上小于單一中徑。
3. 螺紋單一中徑
單一中徑是排除螺距和半角對中徑的。
誤差影響,測量螺紋的單一中徑(三針法)。

▲螺紋單一中徑和作用中徑關系
螺紋檢驗原理
影響螺紋的互換性和裝配:由螺紋大徑、中徑、牙側角、導程角、螺距等各種螺紋參數相互的作用,直接反映到螺紋的作用中徑上(累結誤差),即螺紋配合尺寸。
泰勒原理:在標準量規長度內,用通端螺紋量規(標準齒型螺紋)控制大徑、牙型輪廓的作用中徑,不超過最大實體極限;止端螺紋量規只控制螺紋單一中徑,不超過最小實體牙型中徑極限。

▲環規檢驗外螺紋

▲塞規檢驗內螺紋
美制及米制外螺紋緊固件產品型式、等級及螺紋精度分類

▲美制

▲米制
螺紋檢驗的三種方法
一直以來,螺紋的檢驗和測量中螺紋合格性的判定爭議較大,各國標準也不統一。為規范統一的檢驗方法,美國提出一套比較科學的螺紋檢驗方法。
螺紋三種測量方法:“21” 檢驗方法;“22” 檢驗方法;“23” 檢驗方法。
“21”方法:在標準量規長度內,用螺紋通端量規將螺紋的作用中徑尺寸控制在最大實體極限之內;用止端(NOT GO)控制的單一中徑。簡言之,就是用標準的螺紋量規對內、外螺紋進行檢驗,螺紋通、止均應符合要求即可。確保裝配。控制外螺紋大徑和內螺紋小徑尺寸。
“22”方法:在標準量規長度內,將螺紋的作用尺寸控制在最大實體極限之內;測量作用中徑和單一中徑是否都在公差范圍內在“21”方法檢驗合格的基礎上,還進一步測量螺紋的幾何尺寸。
“23”方法:在標準量規長度內,將螺紋的作用中徑尺寸控制在最大實體極限之內;測量作用中徑和單一中徑是否都在公差范圍內,對規定極限偏差值的螺紋要素進行單項測量。

▲外螺紋檢驗方法與推薦量規/儀器

▲內螺紋檢驗方法與推薦量規/儀器
三種螺紋檢驗的適用性
21方法適用于螺紋檢驗的產品:一般工程、機械和中等強度的螺紋配合場合。美國IFI-九緊固件匯編中規定的商品緊固件(包高強度鋼結構)的螺紋檢驗。

22方法適用于螺紋檢驗的產品:特殊高強度緊固件的外螺紋要求是較緊密配合的場合,或3A 級外螺紋緊固件。
23方法適用于螺紋檢驗的產品:UNJ、航空緊固件或儀器儀表緊固件。
螺紋驗收合格性項目要求

螺紋驗收分二類
